
【產品編號】MG-30C
【產品簡介】制冷量:31.5~83.6KW
目前除中國外,設備已向菲律賓、澳大利亞、新西蘭、馬來西亞、新加坡、印度尼西亞、智利、墨西哥、哥斯達黎加、巴西、阿根廷、哥倫比亞、南非、尼日利亞、沙特阿拉伯、迪拜、西班牙、意大利等國家出口了各種型號的冷水機組,制冷量從50噸、60噸、85噸、100噸、120噸、180噸、200噸到550噸不等。


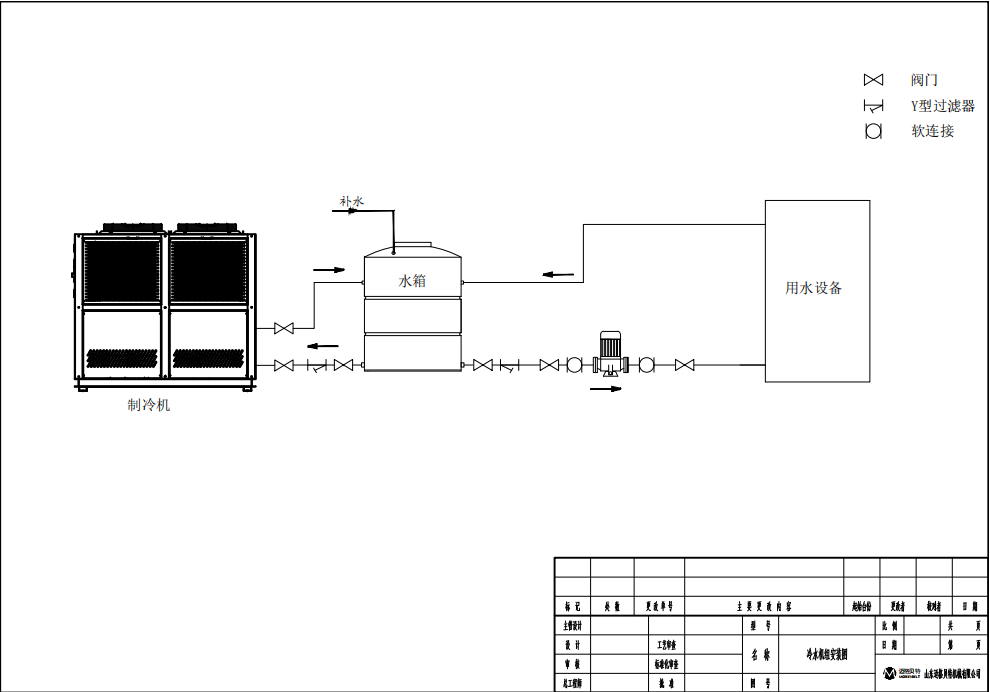
冷凝器風機

壓縮機

電器元件

控制面板

蒸發器

水泵

采用世界知名品牌的半封閉螺桿壓縮機——德國的比澤爾和臺灣的漢鐘,該螺桿壓縮機具有高能效比、低噪音、運行穩定的特點。

每臺螺桿式壓縮機均配備4檔能量控制(25%-50%-75%-100%),以確保整個螺桿式冷水機組運行穩定,并保證其具有高效的制冷性能。

根據所需的制冷能力,還可以選擇2臺或3臺螺桿式壓縮機。

采用高效閉式循環殼管式換熱器作為蒸發器,并使用風冷式冷凝器——銅管套鋁翅片,配以大風量風冷風扇。

配備了集成式PLC控制系統,該系統具有人機界面和大型LED觸摸屏面板,便于操作和故障排除。

世界知名的制冷配件,如丹佛斯品牌的熱力膨脹閥、Alco干燥過濾器、施耐德電氣接觸器和過載繼電器,將確保整個風冷螺桿式冷水機組在正常條件下運行。










0.5H響應速度
22年行業經驗
100+個遠銷國家
24H終身維護支持

對模具是必不可少的,冷水機能精準控制模具溫度,從而減少注塑周期,加速產品定型,使產品不縮水、不變形。

制藥和化工生產過程中,設備會產生大量熱量。冷水機可以提供恒溫冷卻水,給反應釜降溫,帶走化學反應產生的熱量,以提高產品質量。

由于發酵設備的需要和大型化,必須用冷水機組提供恒定冷卻水。當晶體沉淀時,主要具有熱交換效率高。

冷卻塔的直接冷卻和冷水機冷卻具有相同的效果。但在三分冷卻循環中直接和間接冷卻循環的穩定性和...

只用的真空鍍膜依賴于基體外的自然散射,系統合作差異,工作效率低,光澤度差。現在,對于中空...

食品工業冷水機的更多場合:食品加工,食品冷凍,食品清潔,食品保鮮。

冷水機可以控制實驗儀器的溫度,以確保電器零部件高精度。如果是大型實驗室設備,建議使用螺桿...

在制藥,精細化工等生產工藝中,為了滿足化學合成工藝條件的需要,制冷換熱系統必不可少。

我們提供配套設備和技術支持。